2016-09-2714:22:54

| 无 | 里夫 | 名德方 | 量子网 |
| 一号 | 971627004 | ix贝斯肺炎角膜 | 一号 |
| 1/A | WG900027003 | ix贝斯肺炎角膜 | 一号 |
| 2 | 150B0625 | 上方 | 3 |
| 3 | 问题40106 | 龙代尔 | 3 |
| 4 | 问题40306 | printemps龙代尔 | 3 |
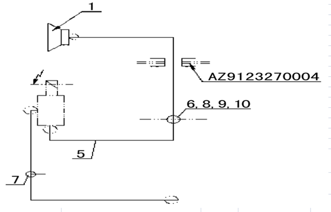
| 5 | 19003179782 | TUYOO语言 | 10 |
| 6 | 971836009 | 湖湖曼川 | 一号 |
| 6/A | AZ91372702 | 湖湖曼川 | 一号 |
| 8 | 971936009 | 滑雪人 | 一号 |
| 九九 | Q351C12T15 | 神经元 | 一号 |
| 10 | 问题412 | dentée龙代尔 | 一号 |
| 11 | 1428016 | 电子圈 | 8 |
| 12 | 19003559561 | opeane | 8 |
| 13 | 19003559516 | 叉子 | 8 |
| 14 | 19003559558 | opeane | 2 |
| 15 | 141280041 | 叉子 | 2 |
| 16 | WG900355008 | 公交车 | 一号 |
| 17 | T088100 | 公交车 | 一号 | 8w8201x
| 19号 | 19003559509 | 电子圈 | 2 |
priv:
PNEULAROEFF下一页 :
里瑟福尔气流算法J'AI