2016-09-27 10:05:45

| n。º | 部分º | Parte Nome | Quantidade |
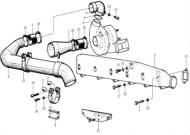
| 1 | VG2600111196 | FunilTubulação | 1 |
| 2 | VG1560118227D | 涡轮增压器 | 1 |
| 2/a | VG1560118229 | 涡轮增压器 | 1 8W 8181 x 1 |
| 3 | VG2600110810 | reposto歧管 | 1 |
| 3a | VG1800110045 | repostotubulação | 1 |
| 3b | VG1560110226 | Braçadeira | 2 |
| 1/4 | VG14110064 | Parafuso | 4 |
| 1/5 | VG2600111078 | ConectandoTubulação | 8 W8311x1 1|
| 1/6 | VG190320035 | Selagem Anel | 2 |
| 1/7 | VG2600111086 | 曼吉拉 | 1 |
| 8 | VG1500110003 | FixaçãoPlaca | 1 |
| 9 | VG2600120100 | tubo | 1 |
| 10 | VG1560110022 | Cinta Montagem | 2 |
| 11 | VG209190017 | TensãoPino | 2 |
| 12 | VG1700550013 | TensãoPino | 2 |
| 13 | VG1500110024 | 军政府 | 6 |
| 14 | 190003962014 | 十六进制的parafuso插头 | 1 |
| 15 | VG9003080003 | Selagem Arruela | 1 |
| 16 | 190003802411 | Parafuso | 6 |
| 17 | 190003800465 | Parafuso | 6 |
| 19 | 190003862462 | Parafuso | 2 |
| 20 | 190003989312 | Braçadeira | 2 |
| 22 | 190003932023 | Onda Primavera arruela | 22 8W81 SUPORTE DE 81 x 1 |
| 23 | VG609E110036 | Ajuste Arruela | 2 |
| 24 | VG9719570026 | Suporte | 1 |
| 24/a | VG9100570019 | 1 | |
| 25 | VG9112530148 | 曼吉拉 | 1 |
| 26 | 190003989315 | 夹钳 | 2 8W8181 x1 |
上一篇:
WD615压缩机de ar下一个:
WD615 Tubo deexaustão