 
     
        
       2016-09-27
不。部分没有。部分的名称数量1 190003559496角喷嘴1 2 190003559946角喷嘴7 3 WG99100360114 T-nozzle 1 4 WG9000360314测试连接器1 5 WG9100360303弹簧制动传动装置2 6 WG9003550006 T-nozzle 2 7 190003559479喷嘴1 8 190003559474喷嘴1 9 WG9000360134继动阀2 9 / WG9000360524继动阀2 10 190003962038螺丝2 11 190003559948Nozzle 2 12 WG170...
阅读更多 
        
        
        
       2016-09-27
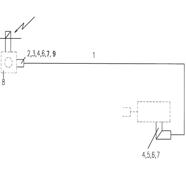
不。部分没有。部分的名称数量1 WG9716270004低声penumatic角1 1 / WG9000270003低声penumatic角1 2 Q150B0625螺钉3 3 Q40106垫圈3 4 Q40306弹簧垫圈3 5 190003179782塑料管10 6 AZ9718360009橡胶套筒1 6 / AZ9137270002橡胶套筒1 8 WG9719360009喷嘴1 9 Q351C12T15螺母1 10 Q41212齿垫圈1 11 199014280016连接螺母8 12 1900…
阅读更多 
        
       2016-09-27
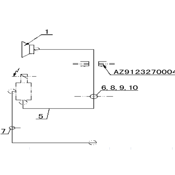
不。部分没有。部件名称数量1 WG9014362117空气贮备(30 l) 1 1 / WG9000360705空气贮备(30 l) 1 2 1680 250092 1 3 WG9100360319衬垫1 4 WG9000360115排水阀1 5 WG700550013拉紧螺栓2 6 WG09 190017拉紧螺栓2 7 Q218B0880螺钉2 8 WG9719360024张力带2 9 AZ9718360005支持1 10 Q340B08螺母4 11 Q40308弹簧垫圈4 12Q40108垫圈4 13 Q150B08…
阅读更多 
       2016-09-27
不。部分没有。部分的名称数量1 WG99112270012张力带2 2 WG09 190017拉紧螺栓2 3 WG700 550013拉紧螺栓2 4 Q218B0880螺钉2 5 WG9003550087空气贮备(20 l) 2 5 / WG9000360700空气贮备(20 l) 2 6 Q150B0830螺钉4 7 Q40108垫圈4 8 Q40308弹簧垫圈4 9 Q340B08螺母4 10 199100360105架1 11 WG9100360319垫1 12 1680 250092垫……
阅读更多 
       2016-09-27
不。部分没有。部分的名称数量1 Q5101048螺栓2 2 WG99118360019张力带2 3 Q40110垫圈2 4 Q5003214开口销2 5 WG9003550098空气贮备(40 l) 1 5 / WG9000360703空气贮备(40 l) 1 6 Q150B1055螺钉4 7 1293 250096距离套筒4 8 Q33210螺母6 9 AZ9118360004支架2 10 WG9100360319 1 11 1680 250092衬垫1 12 WG9000360115流失阀1
阅读更多 
       1
页面