 
    2015-04-1710:23:51

priv:
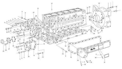
CrankCASE系统下一页 :
容器模拟器| POS系统 | 捷尔数 | 分配 | 下波 | 
| 一号 | 900388451 | 神经元 | 2型金属六角头螺母 | 
| 2 | 90003813470 | 斯图德 | 双头螺柱 | 
| 3 | 90003871352 | 神经元 | 8w8241x | 
| 4 | 9000392023 | printemps龙代尔 | 波形弹簧性垫圈 | 
| 5 | 90003813429 | 斯图德 | 双头螺柱 | 
| 6 | 612600010652 | covercle语言 | 空压机齿轮盖 | 
| 7 | 614010040 | 模版 | 空压机齿轮盖垫片 | 
| 8 | 900388453 | 电子圈 | 2型金属六角头锁紧螺母 | 
| 九九 | 90003813638 | 斯图德 | 双头螺拄 | 
| 10 | 612600010932 | 齿轮 | 正时齿轮室 | 
| 11 | 90003802523 | 宝伦市 | 六角头螺栓 | 
| 12 | 9003901507 | Pen | 圆柱销 | 
| 13 | 900388452 | 神经元 | 2型金属六角锁紧螺母 | 
| 14 | 90003930012 | 龙代尔 | 垫圈 | 
| 15 | 90003811531 | 斯图德 | 双头螺柱 | 
| 16 | 90003802576 | 宝伦市 | 六角头螺栓 | 
| 17 | 90003932024 | spning朗戴尔 | 波形弹性垫圈 | 
| 18号 | 90003802561 | 宝伦市 | 六角头螺栓 | 
| 19号 | 90003931122 | 宝伦市 | 十六大角头螺栓 | 
| 20码 | 900038057 | 宝伦市 | 六角头螺栓 | 
| 21号 | 90003932025 | ressort龙代尔 | 鞍形弹性垫圈 | 
| 22号 | 90038624 | 上方 | 内六角圆柱头螺钉 | 
| 23号 | 9003962051 | 宝伦市 | 六角头螺栓 | 
| 24码 | 900098086 | 联合龙代尔 | 密封垫圈 | 
| 25码 | 61500010037 | 安卓 | 前油封接受圈 | 
| 26 | 9003862327 | 上方 | 内六角圆柱头螺钉 | 
| 27号 | 612600010928 | 前游联合 | 前油封座 | 
| 28码 | 612600010934 | 模版 | 前油封垫片 | 
| 29 | 900038134 | 斯图德 | 双头螺拄 | 
| 30码 | 6150008008 | covercle语言 | 凸轮轴齿轮盖总成 | 
| 31号 | 614010070 | covercle语言 | 凸轮轴齿轮盖垫片 | 
| 32码 | 90003862532 | 上方 | 内六角圆柱头螺钉 | 
| 三十三 | 9003909626 | 宾州 | 弹性圆柱销 | 
| 34号 | 90003813628 | 斯图德 | 双头螺柱 | 
| 35码 | 614010084B | 社区 | 机油冷却器盖垫片 | 
| 36号 | 614010083B | 社区 | 机油冷却器盖 | 
| 37号 | 900098014 | 联合Wahser | 密封垫圈 | 
| 8w8Boulonde271x190039620 | 六角头螺栓 | ||
| 三十九 | 90003800467 | 宝伦市 | 六角头螺栓 | 
| 三十九 | 90003800465 | 宝伦市 | 六角头螺栓 | 
| 40码 | 900038024 | 宝伦市 | 六角头螺栓 | 
| 41号 | 612600010193 | 列位信号 | 铭牌 | 
| 42号 | 9000313527 | 斯图德sqd4#0.5pt固态边框左侧 #f |