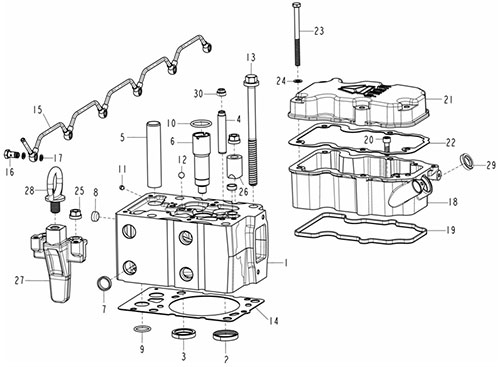
2016-09-27
![]()
![]()
![]()

| 无 | nepartieaune | 名德方 | 诺姆下波 |
| - | 1246040010 | Culasse汇编 | 气缸盖总成 |
| 一号 | 1246040011 | 脉冲 | 气缸盖 |
| 2 | VG1246040012 | VanneSoutien | 8w8231x1|
| 3 | VG1246040013 | 范恩苏台 | 排气门座 |
| 4 | VG1246040014 | valve指南 | 气门导管 |
| 5 | VG1246040015 | valve推杆树 | 气门推杆衬套 |
| 6 | VG1246040016 | 汽车喷射buisson | 喷油器衬套 |
| 7buchon detro | 1900398725 | 碗形塞 | |
| 8 | VG1246040031 | 核心toubuchon | 碗形塞 |
| 九九 | VG1246040018 | etancheiteane | 密封圈 |
| 10 | VG1246040019 | etancheiteane | 密封圈 |
| 11 | VG15400400011 | 云番茄 | 油孔堵塞 |
| 12 | VG1540040013 | 铁球 | 钢珠 |
| 13 | VG1246040020 | 库拉斯波隆 | 气缸盖主螺栓 |
| 14 | VG1246040021 | Culasse联合 | 气缸盖衬垫 |
| 15 | VG124604001 | tuyau大会 | 缸盖放气管总成 |
| 16 | VG1246040022 | Creux德波隆 | 空心螺栓 |
| 17 | 72310 | ETANCHETERRONDELLLE | 密封垫圈 |
| 18号 | VG1246040004A | Culasseclecovercle | 摇臂罩下罩总成 |
| 19号 | VG1246040023 | Culasseétancheiteane | 气缸盖罩密封圈 |
| 20码 | Q218B0825 | 套接字波束 | 内六角圆柱头螺钉 |
| 21号 | VG124604003 | 传教士 | 摇臂罩上罩 |
| 22号 | VG124604005 | Culasse库弗尔联合 | 气缸盖罩衬垫 |
| 23号 | 150B08110 | 六角云t | 六角头螺栓 |
| 24码 | 41808 | ressort龙代尔 | 波形弹簧垫圈 |
| 25码 | VG1200040034 | Ecrou系统 | 带肩螺母 |
| 26 | VG120000023 | 剪切 | 夹紧块 |
| 27号 | VG124604008 | serrage约格 | 吊环夹紧块 |
| 28码 | VG14010388 | 尔对面 | 吊环螺钉 |
| 29 | VG15400400222 | 封印 | 骨架油封 |
| 30码 | VG1246050027 | valve干密封 | 气门阀杆密封套 |