2016-09-27 13:12:28

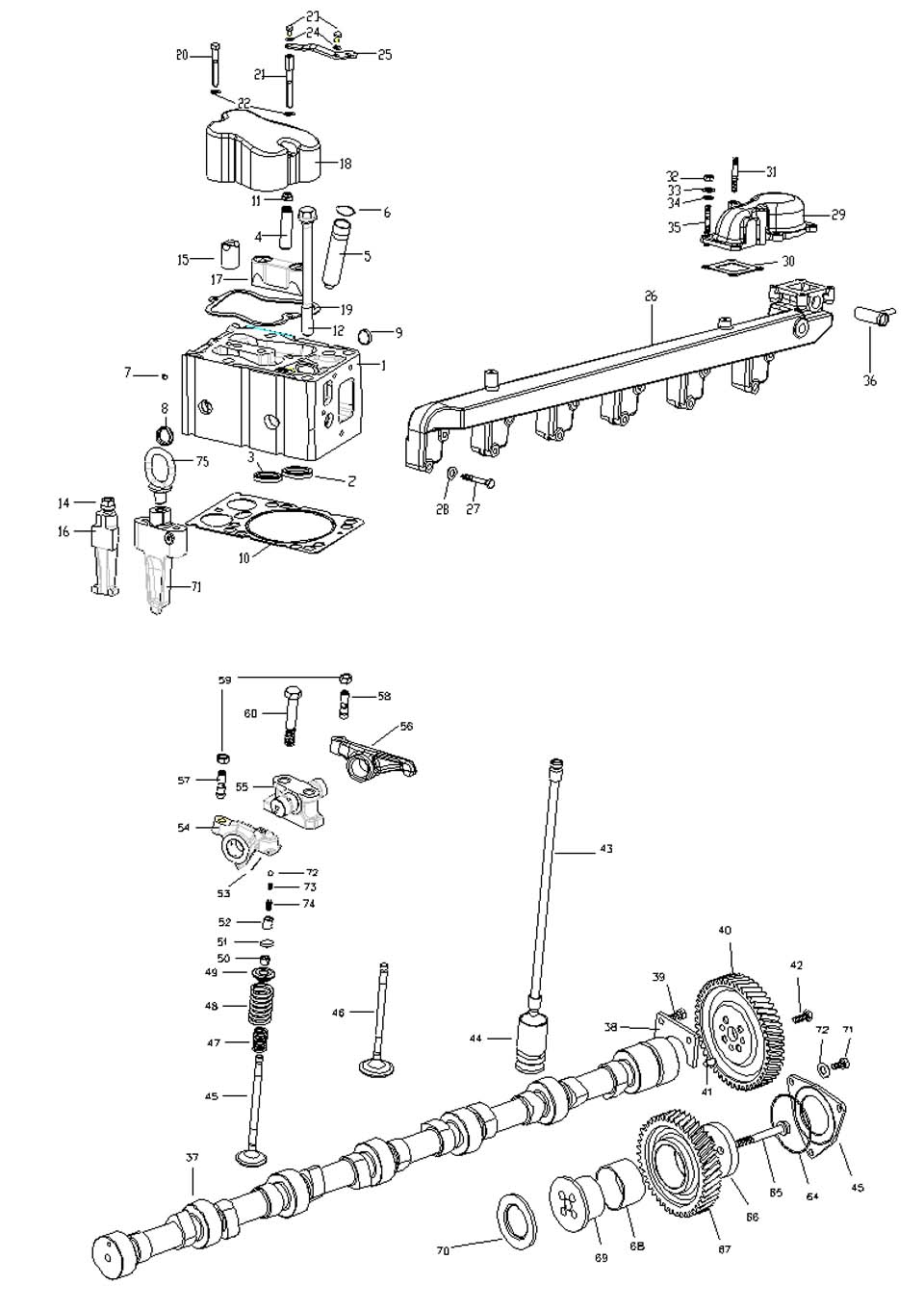
| n。º | 部分 | Parte Nome | NomeChinês |
| 1 | AZ1096040028 | CabeçaDeCilindro | 气缸盖 |
| 2 | VG1560040057 | 阿内尔(托马达) | 进气门座 |
| 3 | VG1560040037 | 阿内尔(Entrada) | 排气门座 |
| 做 | |||
| 4 | VG1560040031 | 气门导管 | |
| 5 | VG1096040001A | BICO名义上 | 喷油器衬套 |
| 6 | VG1540040010 | BICO名义上的gaxeta | 喷油器衬套封圈 |
| 7 | VG1540040011 | Parafuso | 油孔堵塞 |
| 8 | 90003989721 | núcleo插头 | 碗形塞片 |
| 9 | 90003989294 | 核心插头 | 碗形塞片 |
| 10 | VG1500040065 | 联合的 | 气缸盖衬垫 |
| 11 | VG1560040032 | raspador | 气门杆密封套 |
| 12 | VG1500040023 | Parafuso | 气缸盖主螺栓 |
| 14 | VG1200040034 | 8W夹8211 x 1 porca带肩螺母 | |
| 15 | VG1200040023A | 夹紧块 | |
| 16 | VG1200040027 | 夹子 | 夹紧块 |
| 17 | VG1500040009 | Aperto Jugo | 夹紧块 |
| 18 | VG1500040067 | 摇滚乐卡卡 | 气缸盖罩 |
| 19 | VG14040065 | 阿内尔 | 气缸盖罩衬垫 |
| 20 | 90003800466 | Parafuso | 六角头螺栓 |
| 21 | VG1096040021 | Parafuso | 六角头螺栓 |
| 22 | 90003932023 | Primavera arruela | 波形弹性垫圈 |
| 23 | Q150B0610 | Parafuso | 六角头螺栓 |
| 2 4 | Q41806 | Primavera arruela | 波形弹性垫圈 |
| 25 | VG1096080082 | apoio | 支架 |
| 26 | VG1096040330 | tubo | 出水管 |
| 27 | 90003800466 | Parafuso | 六角头螺栓 |
| 28 | 90003932023 | Primavera arruela | 波形弹性垫圈 |
| 29 | VG1096040332 | saídadeágua假设 | 出水管接管 |
| 30 | VG1096040331 | saídadeágua假设Gaxeta | 出水管接管垫片 |
| 31 | 90003813467 | 螺柱 | 双头螺柱 |
| 32 | 90003871252 | 波尔卡 | 我型六角头 |
| 33 | 90003932023 | 8W8261X 1Máquinade lavar波形弹性垫圈 | |
| 34 | 90014040007 | 阿鲁鲁拉 | 平垫圈 |
| 35 | 90003813429 | 螺柱 | 双头螺柱 |
| 36 | VG1500060045 | ConexãoPeça | 管接头组件 |
| 37 | VG1500050096 | Árvorede Cames | de Primavera凸轮轴 |
| 38 | VG14050133 | 法兰 | 凸轮轴止推片 |
| 39 | 90003802411 | Parafuso | 六角头螺栓 |
| 40 | VG14050053 | Árvorede Cames Gear | 凸轮轴正齿轮 |
| 41 | 90003901409 | Passador PIN | 圆柱销 |
| 90003802443 | 六角头螺栓 | ||
| 43 | VG1500050070 | 推杆蒙塔格姆 | 气门推杆总成 |
| 44 | VG1500050032 | 推杆 | 气门挺柱 |
| 45 | VG1560050041 | SaídaVálvula | 排气门 |
| válvuladeSaídade | VG1560050027 | 排气门 | |
| 46 | VG1560051001 | EntradaVálvula | 进气门 |
| 47 | VG1500050001 | VálvulaPrimavera | 气门内弹簧 |
| 48 | VG1500050002 | VálvulaPrimavera | 气门外弹簧 |
| 49 | VG1500050109 | mola g placa | 气门弹簧上座 |
| 50 | VG1500050025 | Válvula锥 | 气门锁夹 |
| 51 | VG1500050105 | VálvulaTampa | 气门帽 |
| 52 | VG1500050044 | BalanceiroPistão | 排气门摇臂活塞 |
| 53 | 90016220001 | 别针 | 滚针 |
| 54 | VG1500050041 |