2016-09-27 09:57:10

| 不。 | 部分号 | 零件名称 | 数量 |
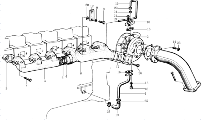
| 1 | VG1560070003 | 换油管 | 1 |
| 1 / A. | VG1560079003 | 换油管 | 1 |
| 2 | VG1560118227D | Turbochager. | 1 |
| 2 / A. | VG1560118229 | Turbochager. | 1 |
| 3. | VG2600111137. | 排气歧管前面 | 1 |
| 4. | VG260110162 | 密封环 | 4. |
| 5. | VG1560110111 | 垫圈 | 6. |
| 6. | VG2600111136. | 排气歧管后方 | 1 |
| 8. | VG2600111052 | 拧紧 | 12. |
| 10. | VG1560110152 | 联合法兰 | 1 |
| 11. | VG1560070002 | 供油管道 | 1 |
| 11 / A. | VG1560070002A | 供油管道 | 1 |
| 13. | VG188250083. | 锁紧垫圈 | 4. |
| 14. | VG1560110187 | 螺柱 | 6. |
| 15. | VG609E110050 | 垫圈 | 1 |
| 16. | VG2600110048 | 垫圈 | 1 |
| 17. | VG1560110210 | 联合的 | 1 |
| 18. | VG1460070014 | 拧紧 | 2 |
| 19. | VG2600070071. | 软管 | 1 |
| 21. | 190003862428 | 拧紧 | 2 |
| 22. | 190003559513. | 坚果 | 2 |
| 23. | 190003888470. | 坚果 | 6. |
| 24. | 190003559563 | 戒指 | 2 |
| 25. | 190003989340. | 夹钳 | 2 |
| 26. | VG1560110241 | 螺栓 | 4. |
| 26 / A. | VG2600111429 | 螺栓 | 4. |
| 27. | VG2600111138. | 隔热盖前面 | 1 |
| 27 / A. | VG2600111142 | 隔热盖前面 | 1 |
| 27A | VG2600111139. | 隔热盖盖 | 1 |
| 27A / A. | VG2600111143 | 隔热盖盖 | 1 |
| 27B. | VG1500110963 | 耐热螺丝 | 12. |
上一篇:
进气歧管下一个:
WD615起动器和交流发电机