产品目录188bet亚洲真人体育
HOWO或
  • парковкаивспомоателльн代照
    парковкаивспомоателльн代照

    2016-09-27

    НЕ ЧАСТИ NO ГРАМОТНОЙ ЧАСТИ ИМЕНИ 名 称 1 WG9000361203 1 NG12 / правый угол разъема NW12 тела 直角接头体 NG12/NW12 2 WG9000361204 2 NG12 / NW9 правый угол разъема тела 直角接头体 NG12/NW9 3 WG9000361402 2 воды сливной клапан 放水阀 4 WG90003610121 JAM NG12 -M22X1。5堵塞ng12-m22x1.5其他其他管路都

    阅读更多
  • 邮件函数
    邮件函数

    2016-09-27

    № Арт.НР количество китайского название имя 1 WG9000361104 1 直通接头体 NG12/NW6 через совместный NG12 / NW6 2 190003559385 1 隔壁直通接头体 2-М22 × 1.5 через совместный орган 2 - M22 x 1,5 по соседству 3 WG9000361202 1 直角接头体 NG12/NW6 правый угол разъема тела NG12 / NW6 4 WG9000361402 2 放水阀 воды сливной клапан 5 WG9000361103 1 直通接头体 NG12 / NW4 через совместный NG12 / NW4 其他管路连接件 другие трубы фитинги WG9000361...

    阅读更多
  • lim lчll lччRчL前цRISINT
    lim lчll lччRчL前цRISINT

    2016-09-27

    № Арт.НР количество имя китайское имя 1 WG9000361101 3 через совместный NG12 / NW9 直通接头体 NG12/NW9 2 WG9000361204 3 NG12 / NW9 правый угол разъема тела 直角接头体 NG12/NW9 3 WG9000361110 1 через совместный NG12 / NW12 直通接头体 NG12/NW12 4 WG9000361401 1 давление испытания соединение 压力测试接头总成 5 WG9000361301 1 L тройник Объединенного органа Ассамблеи NG12 NW12 / M12 x 1,5 Л 型三通接头体 NG12/NW12/M12×1.5 6 WG90003...

    阅读更多
  • Части главного клапана
    Части главного клапана

    2016-09-27

    НЕ ЧАСТИ NO КОЛИЧЕСТВО ЧАСТИ ИМЕНИ 名 称 1 WG9000361204 3 NG12 / NW9 Угловые разъем тела 直角接头体 NG12/NW9 2 WG9000361318 1 L тройник совместный орган NG12 NW6 / M12 x 1,5 Л 型三通接头体 NG12/NW6/M12×1.5 其他管路连接件 WG9000361007 4 упругий элемент NG12 弹性元件 NG12 WG9000361008 4 стопорное кольцо NG12 卡簧 NG12 WG9000361009 4 гайка сиденья NG12 螺母座 NG12...

    阅读更多
  • lim°可ы
  • n°ч冲障зккккк仪式
    n°ч冲障зккккк仪式

    2016-09-27

    НЕ ЧАСТИ NO КОЛИЧЕСТВО ИМЯ 名 称 1 WG9000360522 1 ручного тормоза клапана 手制动阀 2 WG9000360528 1 повесить водитель тормозной клапан 挂车手制动阀 3 AZ9925360501 1 ручного тормоза клапана держателя сборки 手制动阀支架总成 4 AZ9925360528 1 шейпинг шланг (в водитель 22 рот, чтобы повесить водителя клапаны 1) 成型软管 ( 驻车手阀 22 口到挂车手阀 1 口 ) 5 AZ9925360506 1 формируя шланг (высокий этаж повесить линии управления клапан води...

    阅读更多
  • Схема линии управления мост ручного тормоза
    Схема линии управления мост ручного тормоза

    2015-04-15

    № Арт.НР количество имя китайское имя 1 WG9000361106 牵引车 5 через совместный NG8 / NW6 直通接头体 NG8/NW6 非牵引车 3 2 AZ9925360508 1 15 / резина через фиксатор (Φ Φ 8) 橡胶过孔护圈 (Φ15/Φ8) 3 WG9000361317 1 T тройник совместных тела 3 - NW6 Т 型三通接头体 3-NW6 4 WG9000361403 3 комбинация кронштейн педали пластины совместного 组合踏板支架过板接头 NG8/NW6/135 ° 5 WG9000361405 1 2 - NG6 кросс-соединители тела/ m10 x 1 / l6十字四通...

    阅读更多
  • d10丝
    d10丝

    2016-09-27

    НЕ Арт.НР количество имя 名 称 1 199112360189 1 через совместный орган (M26 / М22) 直通接头体 ( M26/М22 ) 2 AZ9918360202 1 15 воздушный компрессор/сильфонные трубки 管子 15 空压机 / 波纹管 3 WG9100360183 1 из нержавеющей сталигофрированные трубы сборки (300 мм) 不锈钢波纹管总成 (300 мм) 4 WG9918360101 1 резиновый шланг (950 мм) длинный 橡胶软管 ( 长 950 мм) 5 AZ9918360217 1 15 гофрированная труба drye 管子 15 波纹管 / 干燥器 другие...

    阅读更多
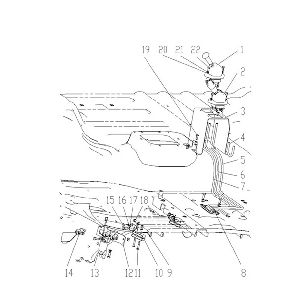
  • Тормоза и сцепления педали сборки управления
    Тормоза и сцепления педали сборки управления

    2016-09-27

    НЕ ЧАСТЬ НЕ КОЛИЧЕСТВО ИМЯ 名 称 1 WG9000360520 1 всего тормозной клапан 制动总阀 2 Q40108 4 плоская шайба 平垫圈 3 Q40308 4 весной шайба 弹簧垫圈 4 Q340B08 4 типа 1 Шестигранная гайка 1 型六角螺母 5 Q340B08 1 типа 1 Шестигранная гайка 1 型六角螺母 6 AZ9925360020 1 Композитные строительные леса 组合支架 7 Q150B0616 2 с шестигранной головкой 六角头螺栓 8 AZ9925360027 1 стоп-сигнал датчика кронштейн 制动灯传感器支架 9 Q40106 2 плоская шай...

    阅读更多
  • →о执异血
    →о执异血

    2016-09-27

    № Арт.НР имя количество 1 WG9100368471 воздуха сушилка 1 1/A WG9000360521 воздуха сушилка 1 2 190003559653 угол сопла 3 8w8161 x1 3 190003962612 женский винт 1 4 WG99100270117 разъем 1 5 Q72312T5F прокладка 2 6 190003559385 сопла 1 7 WG9000360112 проверить клапан 2 8 190003559963 сопла3 8/a190003559947见期3 9 wg9719360001Воздouanouх储量(5L+5L)1 9/a WG9100360044 −WG9100360044Воздounouх都值(5L)储备金(5L)1 9/b ...

    阅读更多
  • cтз执异聚荷
    cтз执异聚荷

    2016-09-27

    № Арт.НР имя количество 1 190003559496 угол сопла 1 2 190003559946 угол сопла 7 3 WG99100360114 Т-сопло 1 8w816 1 x 1 4 WG9000360314 тест разъем 1 5 WG9100360303 весной тормоз привода 2 6 WG9003550006 Т-сопло 2 7 190003559479 сопла 1 8 190003559474 сопла 1 9 WG9000360134 Реле клапана 2 9/A WG9000360524 Реле клапана 2 10 190003962038 винт 2 11 190003559948 сопла 2 12 WG17017360470 Шланг тормозной 2...

    阅读更多
  • n°电
    n°电

    2016-09-27

    № Арт.НР имя части A разъем для стальной трубы 1 190003559516 накидная гайка 2 190003559508 накидная гайка 3 190003559561 Режущее кольцо 4 190003559509 накидная гайка 5 190003559558 резки кольцо 6 190003559518 накидная гайка 7 190003559564 резки кольцо 8 190003559514 накидная гайка 9 190003559563 резки кольцо 8w8151x 1 10 190003559520 накидная гайка 11 190003559562 Режущее кольцо 12 190003559538 д...

    阅读更多
  • 〜都
    〜都

    2016-09-27

    № Арт.НР имя количество 1 190003179782 пластиковые трубы 200 2 190003559766 сопла 1 3 199000360477 прокладка 1 4 199014280016 рукав 2 5 190003559497 сопла 1 5/A WG9003550032 сопла 1 6 190003559561 резки кольцо 2 7 190003559516 накидная гайка 2 8 w8201x1 8 WG9100710008 магнитный клапан 19 1288 730061£祸

    阅读更多
  • pneuLis。差异
  • °з时间penumatic
    °з时间penumatic

    2016-09-27

    № Арт.НР имя части количество 1 WG9716270004 низкий голос penumatic рога 1 1/A WG9000270003 низкий голос penumatic рога 1 2 Q150B0625 винт 3 3 Q40106 шайба 3 4 Q40306 весной шайба 3 5 190003179782 пластиковых труб 10 6 AZ9718360009 резиновые рукава 1 6/A AZ91372700021 8 Q351C12T15г12Q41212з

    阅读更多
  • 都μ。
    都μ。

    2016-09-27

    № Арт.НР имя части количество 1 WG9000360366 4-Схема защиты клапан 1 1/A WG9000360523 4-Схема защиты клапана 1 2 AZ9719360013 кронштейн для защиты клапана 2 3 Q33212 гайка 2 4 Q150B1220 винт 2 5 Q40308 Весна шайба 2 6 Q150B0818 винт 2 7Q150B1030Винт38 Q33210§15210гL3 9 WG9100368471 - в都−здоз厄хх讯9/A WG9000360521 -

    阅读更多
  • 都μ。
    都μ。

    2016-09-27

    № Арт.НР имя количество 1 WG9014362117 воздуха reservior(30L) 1 1/A WG9000360705 воздуха reservior(30L) 1 2 1680 250092 прокладка 1 3 WG9100360319 прокладка 1 4 WG9000360115 сливной клапан 1 5 WG700550013 напряжение болт 2 6 WG09 190017 напряжение болт 2 7Q218b0880 −“т2 8 WG9719360024。

    阅读更多
  • 20×Воз各шγ
    20×Воз各шγ

    2016-09-27

    № Арт.НР имя количество 1 WG99112270012 напряжение ремень 2 2 WG09 190017 напряжение болт 2 3 WG700 550013 напряжение болт 2 4 Q218B0880 винт 2 5 WG9003550087 воздуха reservior(20L) 2 5/A WG9000360700 воздуха reservior(20L) 2 6 Q150B0830 винт 4 7 Q40108 шайба 4 8w8151 x1 8 Q40308 весной шайба 4 9 Q340B08 гайка 4 10 199100360105 кронштейн 1 11 WG9100360319 прокладка 1 12 1680 250092 прокладка 1 13 ...

    阅读更多
联系我们
  • 电话:+86 531 6138 8377

    传真:+86 531 6138 8177

  • 罗伯特:008618766172431

  • 电子邮件:sales@topleadzzl.com

  • Skype:Roberttoplead

  • 第五建筑区2号,第15号,第15号,兰江路,田田区,中国吉南市

188bet体育在线外围