2016-09-27 13:10:26

| № | частьне | имя | китайскоеимя |
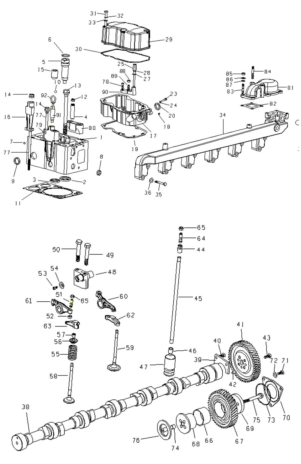
| 1 | AZ1099040003A | головкиблокацилиндров | 气缸盖 |
| 2 | VG1540040006 | (кольцовыход) | 进气门座 |
| 3. | VG1540040007 | (кольцовход) | 排气门座 |
| 4 | VG1540040008 | клапанаруководство | 气门导管 |
| 5 | VG1092040306 | сопладержатель | 喷油器衬套 |
| 6 | VG1540040010 | сопладержательпрокладки | 喷油器衬套密封圈 |
| 7 | VG1540040011 | болт | 油孔堵塞 |
| 8 | 90003989721 | Основнойштекер | 碗形塞片 |
| 9 | 90003989294 | 核心разъем | 碗形塞片 |
| 10 | 90016210001 | совместныйстальнойшар | 钢珠 |
| 11 | VG1540040015A | 气缸盖衬垫 | |
| 12 | VG1540040016 | скребкового | 气门杆密封套 |
| 13 | VG1500040023 | болт | 气缸盖主螺栓 |
| 14 | VG1200040034 | гайка | 带肩螺母 |
| 15 | VG1200040023A | клип | 夹紧块 |
| 16 | VG1200040027 | клип | 夹紧块 |
| 17 | VG1099040020 | коромыслакрышканижней | 摇臂罩下罩总成 |
| 18 | Q61506 | болт | 开槽柱形螺塞 |
| 19 | VG1099040022 | прокладка | 摇臂罩下罩衬垫 |
| 20. | VG1540040022 | усиленныйуплотнение | 骨架油封 |
| 23 | Q218B0620 | гнездоболт | 内六角圆柱头螺钉 |
| 24 | 90014350003 | Веснашайба | 弹簧垫圈 |
| 25 | VG1540040024 | 六角头螺栓 | |
| 27 | 90003930261 | шайба | 平垫圈 |
| 28 | 90003931102 | Веснашайба | 弹簧垫圈 |
| 29 | VG1099040019 | рокеркрышки | 摇臂罩上罩 |
| 30. | VG1099040018 | кольцо | 上罩密封圈 |
| 31 | VG14110064 | болт | 进气管紧固螺栓 |
| 32 | 90003932023 | Веснашайба | 波形弹性垫圈 |
| 33 | Q40108 | былее | 平垫圈 |
| 34 | VG1540040231 | водывыходтрубы | 出水管 |
| 35 | 90003802455 | болт | 六角头螺栓 |
| 36 | 90003932023 | Веснашайба | 波形弹性垫圈 |
| 37 | VG1500060045 | соединительныйкусок | 管接头组件 |
| 38 | VG1540050004 | распределительноговала | 凸轮轴 |
| 39 | VG14050133 | фланец | 凸轮轴止推片 |
| 40 | 90003802411 | болт | 六角头螺栓 |
| 41 | VG14050053 | распределительноговалашестерни | 凸轮轴正时齿轮 |
| 42 | 90003901409 | дюбельконтактный | 圆柱销 |
| 43 | 90003802443 | болт | 六角头螺栓 |
| 44 | Z61500050931 | 推杆сборки | 气门推杆总成 |
| 47 | VG1500050032 | 推杆 | 气门挺柱 |
| 48 | VG1099050005 | коромыслапьедестал | 气门摇臂座 |
| 49 | Q150B1275TF2 | болт | 六角头螺栓 |
| 50 | Q150B1275TF2 | болт | 六角头螺栓 |
| 51 | VG1246050045 | болт | 气门桥调节螺钉 |
| 52 | VG1246050046 | блок | 球头垫块 |
| 53 | Q218B0610 | гнездоболт | 内六角螺栓 |
| 54 | VG1540050023 8Вт 8141 x 1 | Веснашайба | 碗形环 |
| 55 | VG1540050011 | клапанВесна | 气门弹簧 |
| 56 | VG1540050012 | клапанконус | 气门锁夹 |
| 57 | VG1540050013 | веснойпластины | 气门弹簧座圈 |