制动系统
  • 前节制动部件
    前节制动部件

    2016-09-27

    不。部分没有。部分的名称数量1 WG9100368471空气干燥器1 1 / WG9000360521空气干燥器1 2 190003559653角喷嘴3 3 190003962612螺母1 4 WG99100270117连接器1 5 Q72312T5F垫2 6 190003559385喷嘴1 7 WG9000360112止回阀2 8 190003559385喷嘴3 8 / 190003559947喷嘴3 9 WG9719360001空气贮备(5 l + 5 l) 1 9 / WG9100360044空气储层(5L) 1 9/B WG…

    阅读更多
  • 后段刹车部件
    后段刹车部件

    2016-09-27

    不。部分没有。部分的名称数量1 190003559496角喷嘴1 2 190003559946角喷嘴7 3 WG99100360114 T-nozzle 1 4 WG9000360314测试连接器1 5 WG9100360303弹簧制动传动装置2 6 WG9003550006 T-nozzle 2 7 190003559479喷嘴1 8 190003559474喷嘴1 9 WG9000360134继动阀2 9 / WG9000360524继动阀2 10 190003962038螺丝2 11 190003559948Nozzle 2 12 WG170...

    阅读更多
  • 连接器的线
    连接器的线

    2016-09-27

    不。部分没有。部分的名称对于钢管连接器1 190003559516活接头螺母2 190003559508活接头螺母3 190003559508环刀4 190003559508活接头螺母5 190003559558环刀6 190003559558活接头螺母7 190003559564切断环8 190003559564活接头螺母9 190003559564环刀10 190003559520活接头螺母11 190003559520环刀12 190003559538压力环13 19000…

    阅读更多
  • 空气管路
    空气管路

    2016-09-27

    不。部分没有。部件名称数量1 190003179782塑料管200 2 190003559766喷嘴1 3 199000360477垫片14 199014280016套筒2 5 190003559497喷嘴1 5/A WG9003550032喷嘴16 190003559561切割环2 7 190003559516管接头螺母28 WG9100710008阀门19 1288 730061 o形密封圈1

    阅读更多
  • 轮轮胎。DIFF
    轮轮胎。DIFF

    2016-09-27

    不。部分没有。部件名称数量1 190003179782塑料管7 2 190003559766喷嘴2 3 190003559516管接头螺母5 4 190003559508管接头螺母1 5 190003559561切割环66 199014280016套筒6 7 190003559482喷嘴1 8 190003559497喷嘴1 8/A WG9003550032喷嘴1 10 1288 730061 o型圈2

    阅读更多
  • 低低的声音,半空喇叭在车顶
    低低的声音,半空喇叭在车顶

    2016-09-27

    不。部分没有。部分的名称数量1 WG9716270004低声penumatic角1 1 / WG9000270003低声penumatic角1 2 Q150B0625螺钉3 3 Q40106垫圈3 4 Q40306弹簧垫圈3 5 190003179782塑料管10 6 AZ9718360009橡胶套筒1 6 / AZ9137270002橡胶套筒1 8 WG9719360009喷嘴1 9 Q351C12T15螺母1 10 Q41212齿垫圈1 11 199014280016连接螺母8 12 1900…

    阅读更多
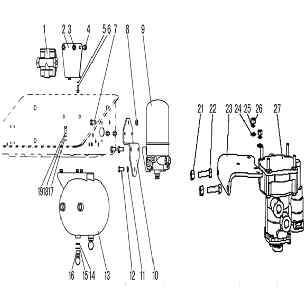
  • 牵引车用储气罐固定
    牵引车用储气罐固定

    2016-09-27

    不。部分没有。部分的名称数量1 WG9000360366 4-circuit保护阀1 1 / WG9000360523 4-circuit保护阀1 2 AZ9719360013支架安全阀2 3 Q33212螺母2 4 Q150B1220螺钉2 5 Q40308弹簧垫圈2 6 Q150B0818螺钉2 7 Q150B1030螺钉3 8 Q33210螺母3 9 WG9100368471空气干燥器1 9 / WG9000360521空气干燥器1 10 AZ9719360014支架空气干燥机1 11…

    阅读更多
  • 拖拉机用储气罐固定Ⅱ
    拖拉机用储气罐固定Ⅱ

    2016-09-27

    不。部分没有。部件名称数量1 WG9014362117空气贮备(30 l) 1 1 / WG9000360705空气贮备(30 l) 1 2 1680 250092 1 3 WG9100360319衬垫1 4 WG9000360115排水阀1 5 WG700550013拉紧螺栓2 6 WG09 190017拉紧螺栓2 7 Q218B0880螺钉2 8 WG9719360024张力带2 9 AZ9718360005支持1 10 Q340B08螺母4 11 Q40308弹簧垫圈4 12Q40108垫圈4 13 Q150B08…

    阅读更多
  • 20l储气罐固定/ 20l
    20l储气罐固定/ 20l

    2016-09-27

    不。部分没有。部分的名称数量1 WG99112270012张力带2 2 WG09 190017拉紧螺栓2 3 WG700 550013拉紧螺栓2 4 Q218B0880螺钉2 5 WG9003550087空气贮备(20 l) 2 5 / WG9000360700空气贮备(20 l) 2 6 Q150B0830螺钉4 7 Q40108垫圈4 8 Q40308弹簧垫圈4 9 Q340B08螺母4 10 199100360105架1 11 WG9100360319垫1 12 1680 250092垫……

    阅读更多
  • 拖拉机用储气罐固定Ⅲ
    拖拉机用储气罐固定Ⅲ

    2016-09-27

    不。部分没有。部分的名称数量1 Q5101048螺栓2 2 WG99118360019张力带2 3 Q40110垫圈2 4 Q5003214开口销2 5 WG9003550098空气贮备(40 l) 1 5 / WG9000360703空气贮备(40 l) 1 6 Q150B1055螺钉4 7 1293 250096距离套筒4 8 Q33210螺母6 9 AZ9118360004支架2 10 WG9100360319 1 11 1680 250092衬垫1 12 WG9000360115流失阀1

    阅读更多
  • 驾驶室制动机构
    驾驶室制动机构

    2016-09-27

    不。部分没有。部分的名称数量1 190003559479喷嘴3 2 190003559479角喷嘴3 3 WG9719360005服务制动阀1 4 190003559945喷嘴6 5 WG9719360030手刹车阀预告片1 5 Q617B16螺钉1 6 WG9000360165手刹车阀1 6 / WG9000360522手刹车阀1 7 190003559483喷嘴1 8 WG99100360111喷嘴1 11 AZ9719360050组合支架1 12 AZ9719360…

    阅读更多
  • 制动部件
    制动部件

    2015-04-13

    不。部分没有。部分的名称数量1 Q72312T5F垫2 2 190003098031垫片2 3 190003098015垫片2 4 WG9000360292垫2 5 190003098015 2 5 1880340023衬垫2 6 WG9100360319垫2 7 1680250092垫片2 8 138091360181夹1 9 1680250092夹1 10 199000360408夹1 11 193760081角1 12 199100360174夹2 13 193760081夹2 14199100360234 Clamp 2 15 199…

    阅读更多
    总共

    1

    页面
联系我们
  • 电话:+86 531 6138 8377

    传真:+86 531 6138 8177

  • 罗伯特:008618766172431

  • 电子邮件:sales@topleadzzl.com

  • Skype:roberttoplead

  • 中国济南市田桥区兰翔路15号2区5栋

188bet体育在线外围