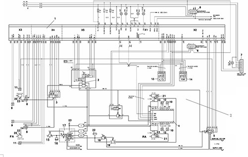
电子系统
EBS-Driver的驾驶员

2015-10-24 15:17:06

不。 零件号 数量 零件名称 中文名
1 WG9925776101 1 EBS驾驶员的驾驶室 EBS驾驶室电线
2 WG9925776100 1 ebselectric理论图 EBS电气原理图

联系我们
  • 电话:+86 531 6138 8377

    传真:+86 531 6138 8177

  • 罗伯特:008618766172431

  • 电子邮件:sales@topleadzzl.com

  • Skype:Roberttoplead

  • 第五建筑区2号,第15号,第15号,兰江路,田芳区,中国吉南,

188bet体育在线外围