2016-09-27 13:51:38

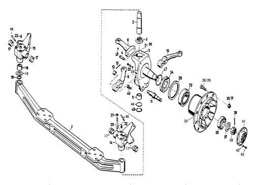
| 不。 | 零件号 | 零件名称 | 数量 |
| 0 | AH71141.00705 | Howo前转向轴 | 1 |
| 1 | AZ9719410103 | 前轴Howo | 1 |
| 1/1 | WG9719410054 | 前轴 | 1 |
| 2 | WG880 410031 | 关节销 | 2 |
| 3 | 199112410057 | 左指关节组件 | 1 |
| 3a | 199112410058 | 右指关节组件 | 1 |
| 4 | WG880 410060 | 螺柱 | 4 |
| 5 | WG880 410029 | 衬套 | 2 |
| 5/a | WG9100410129 | 衬套 | 2 |
| 6 | AZ9719410001 | 转向指关节臂 | 1 |
| 6/a | WG9719410001 | 转向指关节臂 | 1 |
| 7 | 19000388626 | 螺母紧固件 | 2 |
| 8 | WG880 410049 | 轴承 | 1 |
| 8/a | WG9700410049 | 轴承 | 2 |
| 9 | AZ9160410121 | 拉杆臂(左) | 1 |
| 9/a | AZ9719410041 | 拉杆臂(左) | 1 |
| 10 | AZ9160410120 | 豪野杆臂(右) | 1 |
| 10/a | AZ9719410040 | 豪野杆臂(右) | 1 |
| 11 | WG880 410038 | 刹车鞋 | 4 |
| 12 | Q381B27 | 城堡螺母 | 2 |
| 13 | Q5005050 | Cotter Pin | 4 |
| 14 | WG9100410032 | 支架组件(左) | 1 |
| 15 | WG9100410036 | 支架组件(右) | 1 |
| 16 | WG880 410035 | 衬套 | 2 |
| 16/a | WG9100410035 | 衬套 | 2 |
| 17 | WG9100340017 | 复杂的衬套 | 4 |
| 18 | WG880 410094 | 垫片 | NB |
| 18 | 1880 410095 | 垫片 | NB |
| 18 | 1880 410096 | 垫片 | NB |
| 18 | WG880 410097 | 垫片 | NB |
| 18 | AZ9100410085 | 垫片 | NB |
| 18 | AZ9100410086 | 垫片 | NB |
| 18 | AZ9100410087 | 垫片 | NB |
| 18 | AZ9100410088 | 垫片 | NB |
| 18 | AZ9100410089 | 垫片 | NB |
| 18 | AZ9100410090 | 垫片 | NB |
| 18 | AZ9100410091 | 垫片 | NB |
| 18 | AZ9100410092 | 垫片 | NB |
| 18 | AZ9100410093 | 垫片 | NB |
| 18 | 1880 410104 | 垫片 | NB |
| 18 | 1880 410105 | 垫片 | NB |
| 18 | 1880 410106 | 垫片 | NB |
| 18 | 1880 410107 | 垫片 | NB |
| 18 | 1880 410108 | 垫片 | NB |
| 19 | WG880410052 | o戒指 | 2 |
| 20 | WG880 410075 | 螺柱 | 8 |
| 21 | Q33014 | 坚果 | 8 |
| 22 | Q701B70 | 油嘴 | 2 |
| 23 | WG880 410059 | 调整螺栓 | 2 |
| 24 | Q351B14T15 | 坚果 | 2 |
| 25 | 199112410009 | 前枢纽 | 2 |
| 29 | WG9100410104 | 车轮螺栓 | 20 |
| 30 | WG9003884160 | 坚果 | 20 |
| 32 | 190003326543 |
下一个:
前轮断裂