2016-09-27 11:05:12

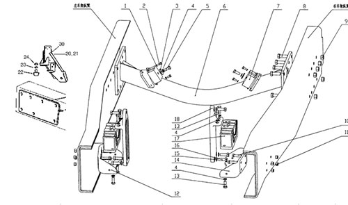
| 不。 | 部分号 | 零件名称 | 数量 |
| 1 | Q40308 | 春天洗衣机 | 4. |
| 2 | Q150B0816. | 拧紧 | 4. |
| 3. | 1480A 360058 | 垫圈 | 2 |
| 4. | Q40312. | 春天洗衣机 | 10. |
| 5. | 190003802622 | 拧紧 | 2 |
| 6. | AZ972559011 | 横杆 | 1 |
| 7. | WG1680590095. | 橡胶支撑 | 2 |
| 8. | Q151B1645 | 拧紧 | 6. |
| 9. | 190003888459. | 坚果 | 6. |
| 10. | Q150B1245 | 拧紧 | 8. |
| 11. | Q33212 | 坚果 | 8. |
| 12. | AZ9731590015 | 留下括号 | 1 |
| 13. | Q151C1235. | 拧紧 | 8. |
| 14. | AZ9731590016 | 托架吧 | 1 |
| 15. | Q151B1440 | 拧紧 | 6. |
| 16. | Q40314 | 春天洗衣机 | 6. |
| 17. | AZ9725590031. | 楔形支持 | 2 |
| 18. | AZ9731590020 | 支持 | 2 |
| 20. | AZ9725596020 | 支持左 | 1 |
| 21. | AZ9725596030 | 支持权 | 1 |
| 22. | WG9100590082 | 停止块 | 2 |
上一篇:
空气过滤器