2015-10-24 14:35:59

不。 |
零件号 |
中文名 |
零件名称 |
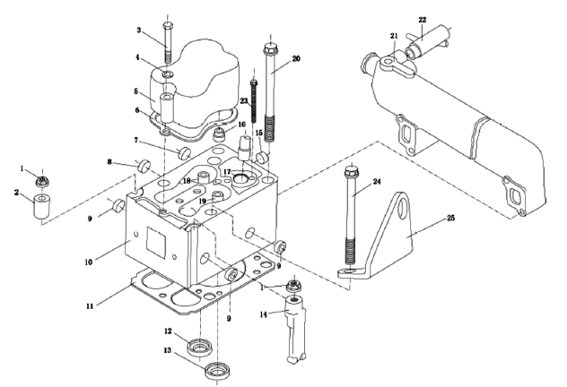
1 |
61200040034 |
带肩螺母
|
肩部螺母 |
2 |
61200040023 |
夹紧块
|
夹紧块 |
3 |
90003800466 |
六角头螺栓
|
六边形头螺栓 |
4 |
90003932023 |
波形弹性垫圈
|
波浪弹簧洗衣机 |
5 |
6.126e+11 |
气缸盖罩
|
气缸盖 |
6 |
61404002L |
气缸盖罩衬垫
|
气缸盖垫圈 |
7 |
90003989277 |
碗形塞片
|
碗插头 |
8 |
90003989721 |
碗形塞片
|
碗插头 |
9 |
90003989294 |
碗形塞片
|
碗插头 |
10 |
6.126e+11 |
气缸盖
|
气缸盖 |
11 |
61500040049 |
气缸盖衬垫
|
气缸垫 |
12 |
61560040057 |
进气门座
|
进气门座椅 |
13 |
81560040037 |
排气门座
|
排气门座 |
14 |
61200040027 |
夹紧块
|
夹紧块 |
15 |
90003989725 |
碗形塞片
|
碗插头 |
16 |
612600040114 |
气门阀杆密封套
|
阀茎密封袖 |
17 |
612600040235 |
喷油器衬套
|
喷油器衬套 |
18 |
612600040113 |
气门导管
|
阀指南 |
19 |
61500040014 |
排气门弹簧下座
|
排气门弹簧 |
20 |
61500040023 |
气缸盖主螺栓
|
气缸盖螺栓 |
21 |
612600040241 |
出水管
|
出口管 |
22 |
61500060045 |
管接头组件
|
管接头组件 |
23 |
90013550006 |
六角头螺栓
|
六边形头螺栓 |
90013550007 |
六角头螺栓
|
六边形头螺栓 |
|
24 |
612600040253 |
气缸盖主螺栓
|
气缸盖螺栓 |
25 |
612600040238 |
吊板
|
悬挂板 |