2016-09-27

| 号 | 段号 | 部件名 | 中文名 |
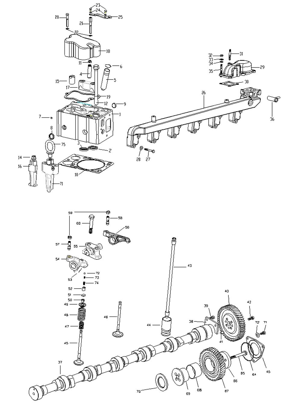
| 一号 | 1096040028 | 循环头 | 气缸盖 |
| 2 | VG1560040057 | 环形图解 | 进气门座 |
| 3 | VG1560040037 | 环形文件 | 排气门座 |
| 4 | VG1560040031 | valve指南 | 气门导管 |
| 5 | VG1096040001 | 喷嘴持有器 | 喷油器衬套 |
| 6 | VG15400010 | 喷嘴锁圈 | 喷油器衬套密封圈 |
| 7 | VG15400400011 | 博尔特 | 油孔堵塞 |
| 8 | 900397921 | 核心插件 | 碗形塞片 |
| 九九 | 90039294 | 核心插件 | 碗形塞片 |
| 10 | VG1500040065 | 联合 | 气缸盖衬垫 |
| 11 | VG1560040032 | 剪切器 | 气门杆密封套 |
| 12 | VG1500040023 | 博尔特 | 气缸盖主螺栓 |
| 14 | VG1200040034 | 神经元 | 带肩螺母 |
| 15 | VG120000023 | 剪切 | 夹紧块 |
| 16 | VG120000027 | 剪切 | 夹紧块 |
| 17 | VG150004009 | 爆破锁 | 夹紧块 |
| 18号 | VG1500040067 | 摇杆覆盖 | 气缸盖罩 |
| 19号 | VG14040065 | 环形 | 气缸盖罩衬垫 |
| 20码 | 9000380046 | 博尔特 | 六角头螺栓 |
| 21号 | VG1096040021 | 博尔特 | 六角头螺栓 |
| 22号 | 90003932023 | SpringAsher系统 | 波形弹性垫圈 |
| 23号 | 150B0610 | 博尔特 | 六角头螺栓 |
| 24码 | 41806 | SpringAsher系统 | 波形弹性垫圈 |
| 25码 | VG109608002 | 支持 | 支架 |
| 26 | VG10960330 | 管道 | 出水管 |
| 27号 | 9000380046 | 博尔特 | 六角头螺栓 |
| 28码 | 90003932023 | SpringAsher系统 | 波形弹性垫圈 |
| 29 | VG1096040332 | 水流接管 | 出水管接管 |
| 30码 | VG10960403 | 水流取垫 | 出水管接管垫片 |
| 31号 | 90003813467 | 斯图德 | 双头螺柱 |
| 32码 | 90003871252 | 神经元 | I型六角头螺母 |
| 三十三 | 90003932023 | SpringAsher系统 | 波形弹性垫圈 |
| 34号 | 900140007 | 华瑟市 | 平垫圈 |
| 35码 | 90003813429 | 斯图德 | 双头螺柱 |
| 36号 | VG1500060045 | 连通块 | 管接头组件 |
| 37号 | VG1500050096 | 卡姆沙夫特 | 凸轮轴 |
| 38号 | VG14050133 | 法兰治 | 凸轮轴止推片 |
| 三十九 | 90003802411 | 博尔特 | 六角头螺栓 |
| 40码 | VG14050053 | 凸轮机 | 凸轮轴正时齿轮 |
| 41号 | 9003901409 | dowel插针 | 圆柱销 |
| 42号 | 90003802443 | 博尔特 | 六角头螺栓 |
| 43号 | VG1500050070 | 推杆汇编 | 气门推杆总成 |
| 44号 | VG1500050032 | 推杆 | 气门挺柱 |
| 45码 | VG1660050041 | 输出阀门 | 排气门 |
| VG1660050027 | 输出阀门 | 排气门 | |
| 46号 | VG156005100 | 插件阀门 | 进气门 |
| 47 | VG15000500 | valve泉水 | 气门内弹簧 |
| 48号 | VG150005002 | valve泉水 | 气门外弹簧 |
| 49号 | VG1500050109 | spring板 | 气门弹簧上座 |
| 50码 | VG1500050025 | valve锥体 | 气门锁夹 |
| 51号 | VG1500050105 | valve帽 | 气门帽 |
| 52 | VG1500050044 | 摇臂活塞 | 排气门摇臂活塞 |
| 53号 | 90016220001 | 插针 | 滚针 |
| 54号 | VG1500050041 |
priv:
赛林德HEAD(4-VALVE)下一页 :
Piston并处理ROD